Redukcia, vonkajší, vnútorný BSPP (G) Závit, Mosadz, FESTO
- Kód produktu: NPFCR
Redukcia, vonkajší, vnútorný BSPP (G) Závit, Mosadz, FESTO
Spoľahlivé prepojenie rôznych závitov v pneumatických systémoch
Redukčné vsuvky FESTO sú navrhnuté pre jednoduché a bezpečné prepojenie závitových komponentov rôznych veľkostí v systémoch stlačeného vzduchu. Umožňujú flexibilné prispôsobenie rozvodov bez nutnosti zmeny celého systému, čím šetria čas aj náklady pri montáži a údržbe.
Vďaka precíznemu spracovaniu a použitiu poniklovanej mosadze poskytujú vysokú mechanickú odolnosť, spoľahlivú tesnosť a dlhodobú životnosť aj v náročných priemyselných podmienkach. Široká škála dostupných kombinácií závitov umožňuje univerzálne použitie v rôznych aplikáciách automatizácie, strojárstva a výrobných liniek.
Hlavné výhody
- jednoduché prepojenie rôznych závitových rozmerov
- vysoká pevnosť a odolnosť voči opotrebeniu
- spoľahlivá tesnosť spojov
- dlhá životnosť vďaka poniklovanej mosadzi
- vhodné pre priemyselné a automatizačné aplikácie
Technické údaje
Konštrukcia a materiál
- materiál: poniklovaná mosadz
- pokyny k materiálu: v zhode s RoHS
Prevádzkové parametre
- prevádzkový tlak: -0.95 bar až 50 bar
- prevádzkové médium: stlačený vzduch podľa ISO 8573-1:2010 [-:-:-]
- teplota okolia: -20 °C až 150 °C
Normy a odolnosť
- trieda odolnosti proti korózii: KBK 1 (nízke nároky)
- zhoda s LABS: VDMA24364-B1/B2-L
Všeobecné informácie
- typ produktu: redukčná vsuvka
- použitie: prepojenie závitov rôznych veľkostí
- kombinácie: rôzne varianty závitov (napr. G, R)
- veľkosť balenia: 10 ks

|
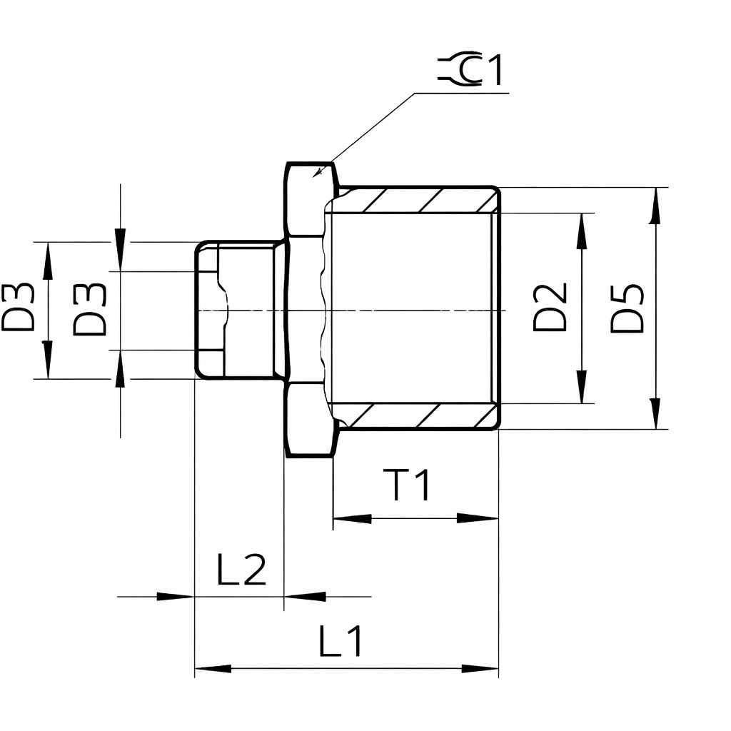
PLU Kód |
Prípoj D1 |
Prípoj D2 |
D3 |
D5 |
L1 |
L2 |
T1 |
ß1 |
Hmotnosť/kus [g] |
Č. dielu |
Typ |
|
PLU Code |
Connection D1 |
Connection D2 |
D3 |
D5 |
L1 |
L2 |
T1 |
ß1 |
Weight/piece [g] |
Part No. |
Type |
|
Na objednávku |
M5 |
G1/8 |
2,5 |
13,5 |
14,5 |
4 |
7,4 |
14 |
9,3 |
8030314 |
NPFC-R-G18-M5-FM |
|
49438 |
G1/8 |
G1/4 |
5,5 |
17 |
20,5 |
6 |
9,5 |
17 |
17,8 |
8030315 |
NPFC-R-G14-G18-FM |
|
Na objednávku |
G1/8 |
G3/8 |
5,5 |
21,5 |
21,5 |
6 |
10,5 |
22 |
30,1 |
8030316 |
NPFC-R-G38-G18-FM |
|
49439 |
G1/4 |
G3/8 |
8 |
21,5 |
23,5 |
8 |
10,5 |
22 |
32 |
8030317 |
NPFC-R-G38-G14-FM |
|
Na objednávku |
G3/8 |
G1/2 |
11 |
25 |
27,5 |
9 |
13 |
26 |
45,1 |
8030318 |
NPFC-R-G12-G38-FM |





