L-spojka vonkajší/ vnútorný BSPP (G) závit, Mosadz, FESTO
- Kód produktu: NPFCLR
L-spojka vonkajší/ vnútorný BSPP (G) závit, Mosadz, FESTO
Pneumatické L-prípojky FESTO predstavujú robustné riešenie pre smerové spojenie potrubí a komponentov v systémoch stlačeného vzduchu. Vďaka kombinácii vnútorných a vonkajších závitov umožňujú flexibilné napojenie rôznych prvkov v pravom uhle, čím zjednodušujú návrh a optimalizáciu rozvodov.
Tieto spojky sú navrhnuté pre dlhodobú prevádzku v náročných podmienkach priemyselnej automatizácie. Použitie poniklovanej mosadze zabezpečuje vysokú odolnosť voči korózii, mechanickému opotrebeniu a zároveň spoľahlivú tesnosť spojov.
Široká škála dostupných rozmerov a kombinácií závitov umožňuje univerzálne použitie naprieč rôznymi aplikáciami – od jednoduchých rozvodov až po komplexné pneumatické systémy.
Hlavné výhody
- pevné a spoľahlivé uhlové spojenie (90°)
- kombinácia rôznych typov závitov pre flexibilnú montáž
- vysoká odolnosť voči tlaku a teplote
- dlhá životnosť vďaka poniklovanej mosadzi
- vhodné pre priemyselné a automatizačné aplikácie
Technické údaje
Konštrukcia a materiál
- materiál závitovej spojky: poniklovaná mosadz
- pokyny k materiálu: v zhode s RoHS
Prevádzkové parametre
- prevádzkový tlak: -0.95 bar až 50 bar
- prevádzkové médium: stlačený vzduch podľa ISO 8573-1:2010 [-:-:-]
- teplota okolia: -20 °C až 150 °C
Normy a odolnosť
- trieda odolnosti proti korózii: KBK 1 (nízke nároky)
- zhoda s LABS: VDMA24364-B1/B2-L
Všeobecné informácie
- typ spojenia: L-prípojka (uhlové prevedenie)
- kombinácie závitov: rôzne varianty, v ponuke BSPP
- veľkosť balenia: 10 ks
- použitie: pneumatické rozvody, automatizácia, priemyselné aplikácie

|
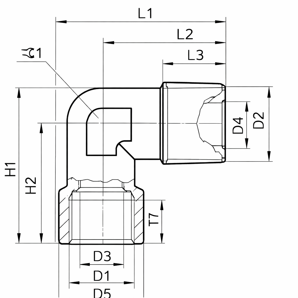
PLU kód |
Prípoj D1 |
Prípoj D2 |
D3 |
D4 |
D5 |
H1 |
H2 |
L1 |
L2 |
L3 |
T1 |
ß1 |
Hmotnosť/kus |
Č. dielu |
Typ |
|
PLU CODE |
Connection D1 |
Connection D2 |
D3 |
D4 |
D5 |
H1 |
H2 |
L1 |
L2 |
L3 |
T1 |
ß1 |
Weight/pc |
Part No. |
Type |
|
Na objednávku |
M5 |
M5 |
3 |
2,5 |
8,5 |
15,8 |
11,5 |
15,8 |
11,5 |
4 |
5 |
9 |
8,5 |
8030215 |
NPFC-L-2M5-MF |
|
49434 |
G1/8 |
R1/8 |
6 |
5,5 |
13 |
26 |
19 |
24,5 |
18 |
7,5 |
7,4 |
11 |
19,8 |
8030216 |
NPFC-L-R18-G18-MF |
|
49435 |
G1/4 |
R1/4 |
8 |
8 |
16,5 |
31,5 |
25,5 |
32,3 |
24 |
11 |
9,5 |
13 |
32,3 |
8030217 |
NPFC-L-R14-G14-MF |
|
49436 |
G3/8 |
R3/8 |
11 |
11 |
20,5 |
35,5 |
28 |
37,3 |
27 |
11,5 |
10,5 |
17 |
48,7 |
8030218 |
NPFC-L-R38-G38-MF |
|
49437 |
G1/2 |
R1/2 |
15 |
15 |
25,5 |
41,7 |
32 |
42,3 |
29,5 |
14 |
13 |
20 |
77,8 |
8030219 |
NPFC-L-R12-G12-MF |
|
Na objednávku |
G3/4 |
R3/4 |
20 |
20 |
32 |
48,5 |
36,5 |
48 |
32 |
14,7 |
14,5 |
27 |
131,7 |
8030220 |
NPFC-L-R34-G34-MF |
|
Na objednávku |
G1 |
R1 |
24 |
24 |
39 |
59,5 |
45 |
58,5 |
39 |
15,7 |
16,5 |
30 |
197,4 |
8030221 |
NPFC-L-R1-G1-MF |





