L-Spojka na rúrku, vnútorný BSPP (G) Závit, Mosadz, FESTO
- Kód produktu: NPFCL
L-Spojka na rúrku, vnútorný BSPP (G) Závit, Mosadz, FESTO
Pneumatická L-prípojka FESTO predstavuje robustné a spoľahlivé riešenie pre smerové spojenie potrubí v systémoch stlačeného vzduchu. Vďaka precíznemu spracovaniu a použitiu kvalitnej poniklovanej mosadze je vhodná pre náročné priemyselné prostredie, kde je kladený dôraz na tesnosť, odolnosť a dlhodobú prevádzku.
L-prípojky umožňujú efektívne vedenie média v pravom uhle, čím optimalizujú priestorové riešenie pneumatických rozvodov. Vďaka širokému rozsahu rozmerov sú univerzálne použiteľné pre rôzne aplikácie v automatizácii, výrobe aj údržbe.
Hlavné výhody
- vysoká mechanická odolnosť a dlhá životnosť
- spoľahlivé tesnenie a stabilné spojenie
- odolnosť voči korózii vďaka poniklovanému povrchu
- vhodné pre široký rozsah tlakov a teplôt
- univerzálne použitie v pneumatických systémoch
Technické údaje
Konštrukcia a materiál
- materiál závitovej spojky: poniklovaná mosadz
- pokyny k materiálu: v zhode s RoHS
Prevádzkové parametre
- prevádzkový tlak: -0.95 bar až 50 bar
- prevádzkové médium: stlačený vzduch podľa ISO 8573-1:2010 [-:-:-]
- teplota okolia: -20 °C až 150 °C
Normy a odolnosť
- trieda odolnosti proti korózii: KBK 1 (nízke nároky)
- zhoda s LABS: VDMA24364-B1/B2-L
Všeobecné informácie
- veľkosť balenia: 10 ks
- typ spojenia: L-prípojka (uhlové prevedenie)
- použitie: pneumatické rozvody a automatizačné systémy

|
PLU kód |
Prípoj |
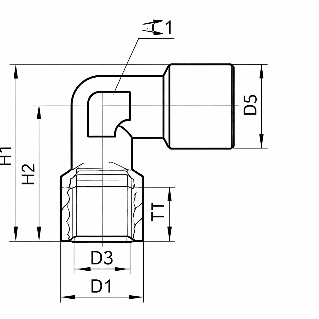
D3 |
D5 |
H1 |
H2 |
T1 |
ß1 |
Hmotnosť/kus |
Č. dielu |
Typ |
|
PLU CODE |
Connection |
D3 |
D5 |
H1 |
H2 |
T1 |
ß1 |
Weight/pc |
Part No. |
Type |
|
Na objednávku |
M5 |
4,2 |
8,5 |
15,3 |
11 |
4 |
9 |
8,8 |
8030208 |
NPFC-L- 2M5-F |
|
49428 |
G1/8 |
6 |
13 |
27,5 |
21 |
7,4 |
11 |
22,5 |
8030209 |
NPFC-L-2G18-F |
|
49429 |
G1/4 |
8 |
16,5 |
33,8 |
25,5 |
9,5 |
13 |
36,2 |
8030210 |
NPFC-L-2G14-F |
|
49430 |
G3/8 |
11 |
20,5 |
38,3 |
28 |
10,5 |
17 |
54,1 |
8030211 |
NPFC-L-2G38-F |
|
49431 |
G1/2 |
15 |
25,5 |
44,8 |
32 |
13 |
20 |
91,5 |
8030212 |
NPFC-L-2G12-F |
|
49432 |
G3/4 |
19 |
32 |
52,5 |
36,5 |
14,5 |
27 |
161 |
8030213 |
NPFC-L-2G34-F |
|
49433 |
G1 |
24 |
39 |
64,5 |
45 |
16,5 |
30 |
238 |
8030214 |
NPFC-L-2G1-F |





