Nástrčná L-spojka na rúrku s vonkajším závitom Metrika/BSPT (G), mosadz, FESTO
- Kód produktu: NPQLMMG
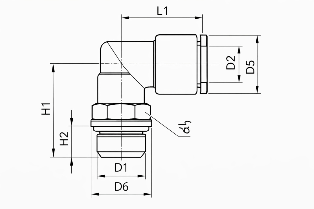
Nástrčná L-spojka na rúrku s vonkajším závitom Metrika/BSPT (G), mosadz, FESTO
Festo NPQM-L-G18-Q4-P10 je kovová nástrčná L-spojka pre pneumatické rozvody, určená na rýchle a spoľahlivé pripojenie hadice .Telo spojky je vyrobené z poniklovanej mosadze, čo zabezpečuje dobrú mechanickú odolnosť a dlhú životnosť pri bežnom priemyselnom použití. Tesnenie hadice je z materiálu NBR a na naskrutkovacom čape je použitý tesniaci krúžok, ktorý prispieva k spoľahlivému utesneniu závitového spoja. Spojka je vhodná pre stlačený vzduch podľa ISO 8573-1:2010 [7:-:-] a umožňuje aj prevádzku s mazaním.
Technické parametre
Základné údaje:
- Veľkosť: Štandard
- Tvar: L
- Konštrukcia: Princíp push-pull
- Menovitá šírka: tabuľka
- Veľkosť balenia: 10 ks
Pripojenie:
- Pneumatický prípoj 1: vonkajší závit
- Pneumatický prípoj 2: pre hadicu s vonkajším priemerom tabuľka
- Druh tesnenia na naskrutkovacom čape: tesniaci krúžok
- Spôsob upevnenia: vonkajší šesťhran SW
Prevádzkové podmienky:
- Prevádzkový tlak: -0,095 MPa až 1,6 MPa
- Prevádzkový tlak: -0,95 bar až 16 bar
- Prevádzkový tlak: -13,775 psi až 232 psi
- Teplota okolia: -20 °C až +70 °C
- Prevádzkové médium: stlačený vzduch podľa ISO 8573-1:2010 [7:-:-]
- Poznámka: možnosť prevádzky s mazaním
Materiál a vyhotovenie:
- Materiál telesa: mosadz, poniklovaná
- Materiál tesnenia hadice: NBR
- Farba uvoľňovacieho krúžku: striebro
- Pokyny k materiálu: v zhode s RoHS
Ďalšie údaje:
- Menovitý uťahovací moment: 6 Nm
- Prípustná odchýlka uťahovacieho momentu: ±20 %
- Trieda odolnosti proti korózii KBK: 1 – nízke nároky na odolnosť proti korózii
- Zhoda s LABS: VDMA 24364-B1/B2-L

|
PLU Kód |
Prípoj |
Nominálna šírka |
Vonkajší ∅ hadice |
D5 ∅ |
D6 ∅ |
H1 |
H2 |
L1 |
ß |
Hmotnosť/kus |
Č. dielu |
Typ |
|
PLU Code |
Connection |
Nominal width |
Outside hose Ø |
D5 Ø |
D6 Ø |
H1 |
H2 |
L1 |
ß |
Weight/piece |
Part No. |
Type |
|
49378 |
M5 |
3,0 |
4 |
9,0 |
8,0 |
14,0 |
4,0 |
17,5 |
9 |
8,8 |
558704 |
NPQM-L-M5-Q4-P10 |
|
49380 |
M5 |
3,5 |
6 |
12,0 |
8,0 |
14,0 |
4,0 |
20,5 |
9 |
11,9 |
558705 |
NPQM-L-M5-Q6-P10 |
|
PLU Kód |
Prípoj |
Nominálna šírka |
Vonkajší ∅ hadice |
D5 ∅ |
D6 ∅ |
H1 |
H2 |
L1 |
ß |
Hmotnosť/kus |
Č. dielu |
Typ |
|
PLU Code |
Connection |
Nominal width |
Outside hose Ø |
D5 Ø |
D6 Ø |
H1 |
H2 |
L1 |
ß |
Weight/piece |
Part No. |
Type |
|
49379 |
G⅛ |
3,0 |
4 |
9,0 |
13,0 |
18,0 |
5,0 |
19,5 |
13 |
15,7 |
558708 |
NPQM-L-G18-Q4-P10 |
|
49381 |
G⅛ |
5,0 |
6 |
12,0 |
13,0 |
18,0 |
5,0 |
22,0 |
13 |
18,5 |
558709 |
NPQM-L-G18-Q6-P10 |
|
49383 |
G⅛ |
5,5 |
8 |
14,0 |
13,0 |
18,0 |
5,0 |
22,5 |
13 |
22,0 |
558710 |
NPQM-L-G18-Q8-P10 |
|
49382 |
G¼ |
5,0 |
6 |
12,0 |
16,0 |
21,5 |
6,5 |
22,0 |
13 |
21,8 |
558711 |
NPQM-L-G14-Q6-P10 |
|
49384 |
G¼ |
5,5 |
8 |
14,0 |
16,0 |
21,5 |
6,5 |
22,5 |
13 |
25,3 |
558712 |
NPQM-L-G14-Q8-P10 |
|
49386 |
G¼ |
8,5 |
10 |
16,0 |
16,0 |
22,0 |
6,5 |
26,0 |
16 |
34,0 |
558713 |
NPQM-L-G14-Q10-P10 |
|
49389 |
G¼ |
11,0 |
12 |
19,0 |
16,0 |
25,5 |
6,5 |
28,5 |
20 |
58,5 |
558714 |
NPQM-L-G14-Q12-P10 |
|
49385 |
G⅜ |
6,0 |
8 |
14,0 |
20,0 |
25,5 |
7,0 |
23,0 |
16 |
37,7 |
558715 |
NPQM-L-G38-Q8-P10 |
|
49387 |
G⅜ |
8,5 |
10 |
16,0 |
20,0 |
25,5 |
7,0 |
26,0 |
16 |
39,2 |
558716 |
NPQM-L-G38-Q10-P10 |
|
49390 |
G⅜ |
11,0 |
12 |
19,0 |
20,0 |
26,0 |
7,0 |
28,5 |
20 |
56,1 |
558717 |
NPQM-L-G38-Q12-P10 |
|
49392 |
G⅜ |
12,0 |
14 |
22,0 |
20,0 |
26,0 |
7,0 |
31,0 |
20 |
61,6 |
570460 |
NPQM-L-G38-Q14-P10-V |
|
49388 |
G½ |
8,5 |
10 |
16,0 |
25,0 |
27,5 |
8,5 |
26,0 |
16 |
43,2 |
558718 |
NPQM-L-G12-Q10-P10 |
|
49391 |
G½ |
11,0 |
12 |
19,0 |
25,0 |
30,5 |
8,5 |
28,5 |
20 |
65,1 |
558719 |
NPQM-L-G12-Q12-P10 |
|
49393 |
G½ |
12,0 |
14 |
22,0 |
25,0 |
30,5 |
8,5 |
31,0 |
20 |
69,9 |
570461 |
NPQM-L-G12-Q14-P10-V |





