Pneumatická zaslepovacia zátka pre rúrky a nástrčné spojky, plast, FESTO
- Kód produktu: QSC
Zaslepovacia zátka FESTO QSC-H – pre pneumatické nástrčné spojky
Zaslepovacia zátka FESTO QSC-H je určená na rýchle a spoľahlivé uzatvorenie nepoužívaných vývodov v pneumatických nástrčných spojkách. Jednoduchou montážou zasunutím do nástrčného puzdra bezpečne utesní prívod vzduchu a zabráni úniku média zo systému. Vďaka kompaktnej konštrukcii a kvalitnému plastovému materiálu je vhodná pre priemyselné pneumatické rozvody, automatizačné systémy aj servisné aplikácie.
Zátka je vyrobená z odolného materiálu PBT, ktorý zabezpečuje dlhú životnosť a stabilitu aj pri kolísaní teploty a tlaku. Je kompatibilná s nástrčnými spojkami pre rúrky a umožňuje použitie so stlačeným vzduchom aj vodou (bez ľadu). Produkt spĺňa požiadavky RoHS a je vhodný pre široké spektrum pneumatických aplikácií.
Technické parametre
- Typ: QSC-H
- Číslo dielu: 153267
- Tvar: zaslepovacia zátka
- Veľkosť: štandard
- Pneumatický prípoj: nástrčné puzdro Ø tabuľka
- Montážna poloha: ľubovoľná
-
Prevádzkové médium:
- stlačený vzduch podľa ISO 8573-1:2010 [7:-:-]
- voda (kvapalná, bez ľadu)
- Prevádzkový tlak (celý rozsah teploty):
- −0,095 až 0,6 MPa
- −0,95 až 6 bar
- −13,775 až 87 psi
- −0,095 až 1,4 MPa
- −0,95 až 14 bar
- −13,775 až 203 psi
- Prevádzkový tlak (závislý od teploty):
- Poznámka k tlaku: voda max. 0,6 MPa pri 50 °C
- Teplota okolia: −10 °C až +80 °C
- Materiál telesa: PBT
- Hmotnosť: 0,5 g
- Trieda odolnosti proti korózii: KBK 1 (nízke nároky)
- Zhoda s LABS: VDMA24364-B1/B2-L
- Vhodnosť pre čisté priestory: staticky inštalovaný prvok (ISO 14644-14)
- Pokyny k materiálu: v zhode s RoHS
- Veľkosť balenia: 10 ks

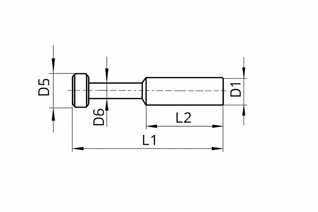
|
PLU kód |
D1 [mm] |
D5 ∅ [mm] |
D6 ∅ [mm] |
L1 [mm] |
L2 [mm] |
Hmotnosť [g] |
Typ |
|
PLU code |
D1 [mm] |
D5 Ø [mm] |
D6 Ø [mm] |
L1 [mm] |
L2 [mm] |
Weight [g] |
Type |
|
49356 |
4 |
5 |
3 |
28 |
15 |
0,5 |
QSC-4H |
|
46777 |
6 |
7 |
3 |
33 |
17 |
0,5 |
QSC-6H |
|
7821 |
8 |
9 |
4 |
37 |
18 |
1 |
QSC-8H |
|
46781 |
10 |
11 |
5 |
42 |
20,5 |
2 |
QSC-10H |
|
7834 |
12 |
13 |
6 |
44 |
23 |
2,5 |
QSC-12H |





